返回
海能知识库
网站首页
美食营养
游戏数码
手工爱好
生活家居
健康养生
运动户外
职场理财
情感交际
母婴教育
时尚美容
A5系列可编程控制器说明书V1.2:[19]
时间:2024-10-12 15:38:40
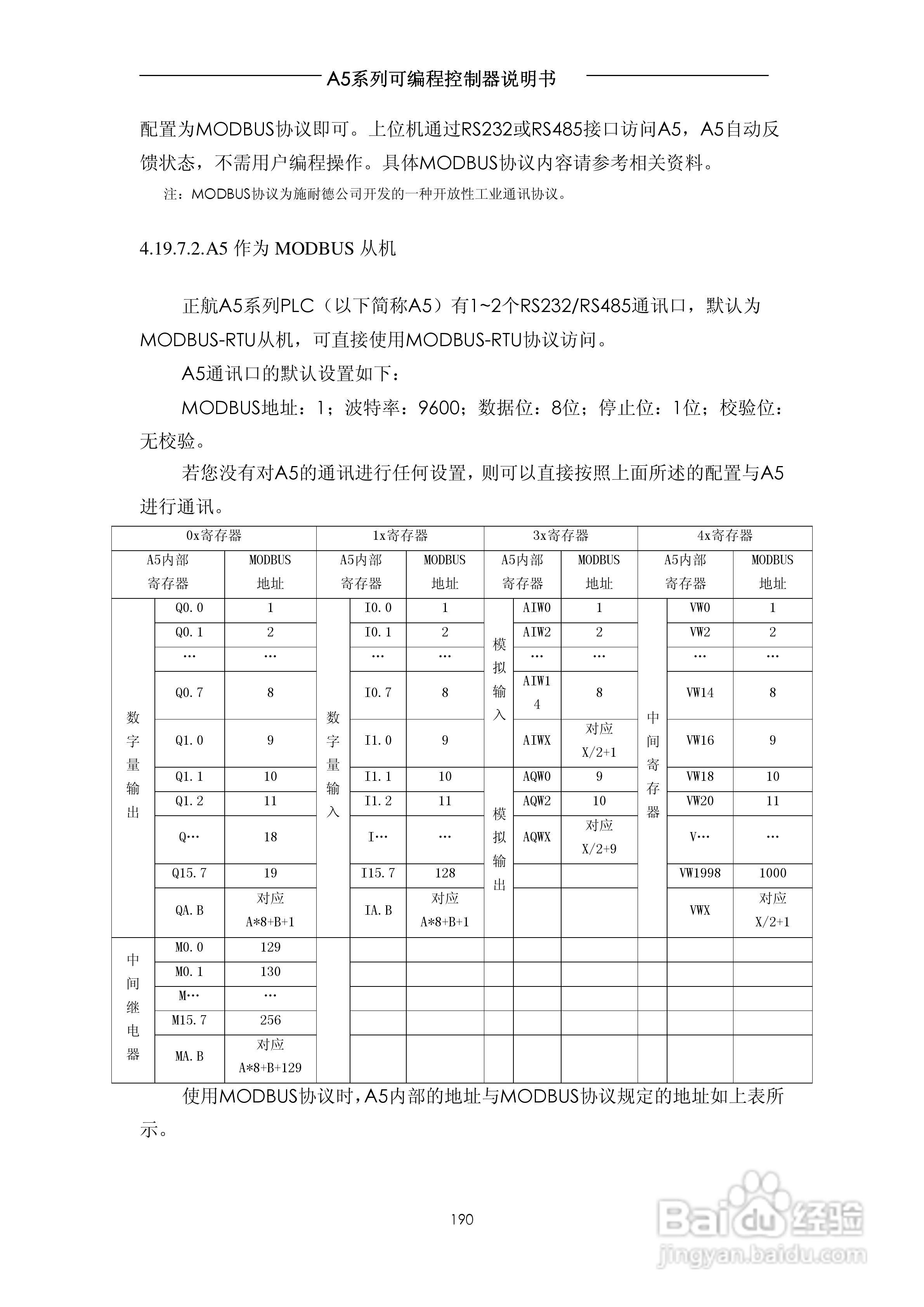
本篇为《A5系列可编旯皱镢涛程控制器说明书V1.2》,主要介绍该产品的使用方法以及常见故障解决方案。
" height="863" width="610" />
A5系列可编程控制器说明书V1.2:[17]
A5系列可编程控制器说明书V1.2:[11]
A5系列可编程控制器说明书V1.2:[12]
A5系列可编程控制器说明书V1.2:[13]
A5系列可编程控制器说明书V1.2:[14]
为你推荐:
汽车违章怎么查询
360浏览器怎么样
卤面怎么做好吃
炒白萝卜怎么做好吃
栀子花的养殖方法和注意事项
宝宝红屁屁怎么办
怎么隐藏qq账号
鱿鱼怎么炒好吃又嫩
怎么看内存条频率
个人简历怎么制作
© 2025 海能知识库
信息来自网络 所有数据仅供参考
有疑问请联系站长 site.kefu@gmail.com