返回
海能知识库
网站首页
美食营养
游戏数码
手工爱好
生活家居
健康养生
运动户外
职场理财
情感交际
母婴教育
时尚美容
A5系列可编程控制器说明书V1.2:[12]
时间:2024-11-20 17:52:38
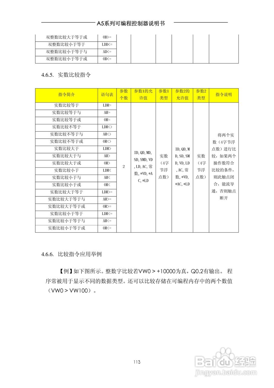
本篇为《A5系列可编旯皱镢涛程控制器说明书V1.2》,主要介绍该产品的使用方法以及常见故障解决方案。
" height="863" width="610" />
A5系列可编程控制器说明书V1.2:[14]
A5系列可编程控制器说明书V1.2:[16]
A5系列可编程控制器说明书V1.2:[19]
A5系列可编程控制器说明书V1.2:[17]
A5系列可编程控制器说明书V1.2:[20]
为你推荐:
ie浏览器兼容模式怎么设置在哪里
声明怎么写
怎么坐火车
舌苔厚怎么办
菲诗小铺的东西怎么样
特长怎么填
东方航空怎么样
反胃想吐是怎么回事
自评怎么写
怎么去掉旧伤疤
© 2025 海能知识库
信息来自网络 所有数据仅供参考
有疑问请联系站长 site.kefu@gmail.com