返回
海能知识库
网站首页
美食营养
游戏数码
手工爱好
生活家居
健康养生
运动户外
职场理财
情感交际
母婴教育
时尚美容
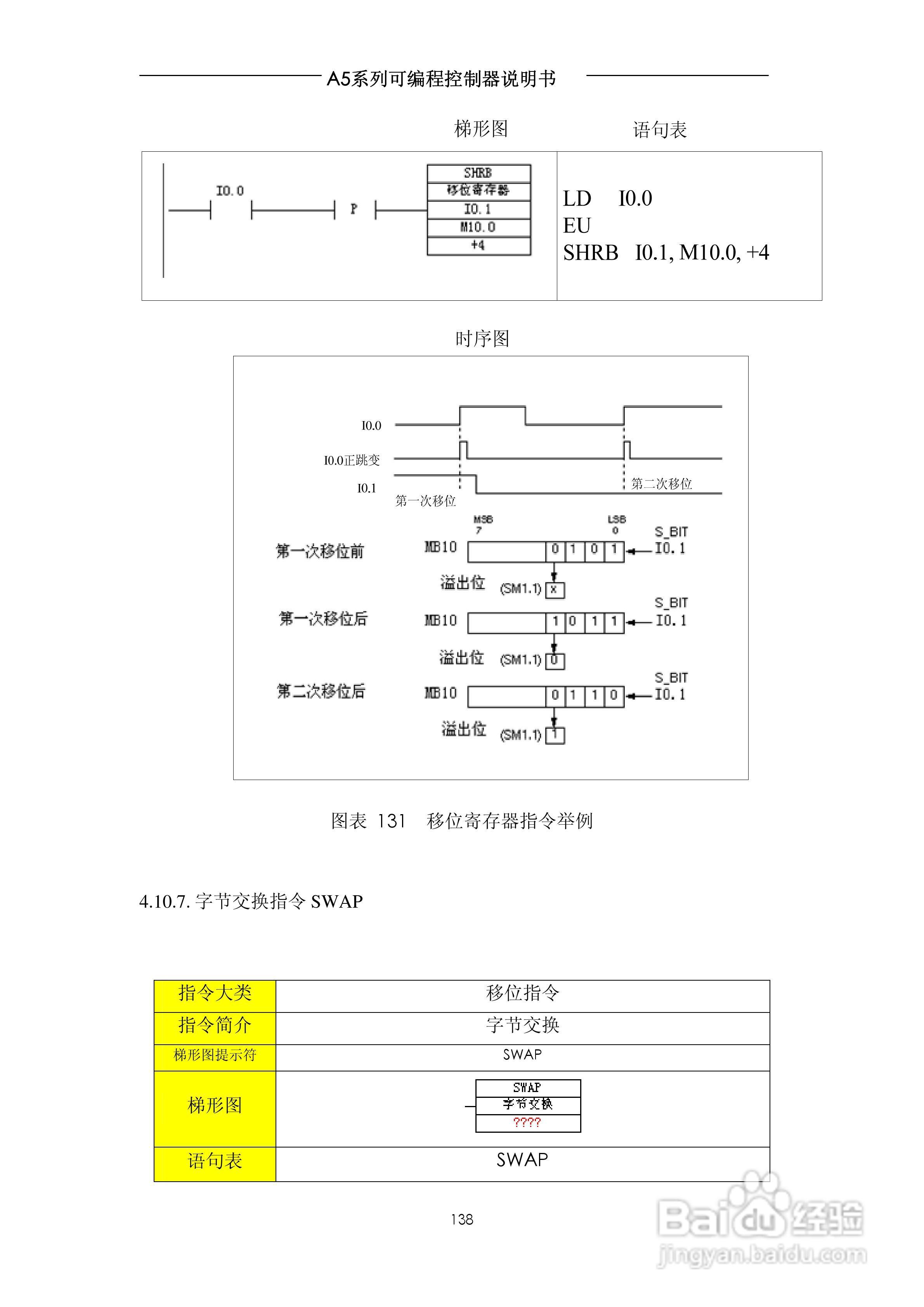
A5系列可编程控制器说明书V1.2:[14]
时间:2024-12-02 16:03:10
本篇为《A5系列可编程控制器说明书V1.2》,主要介绍该产品的使用方法以及常见故障解决方案。
A5系列可编程控制器说明书V1.2:[15]
A5系列可编程控制器说明书V1.2:[18]
A5系列可编程控制器说明书V1.2:[19]
A5系列可编程控制器说明书V1.2:[17]
A5系列可编程控制器说明书V1.2:[20]
为你推荐:
怎么去除黄褐斑
苏州科技大学怎么样
ios怎么升级
论文页码怎么设置
韩语再见怎么说
义无反顾的近义词
怎么样去黑眼圈
手机无服务怎么解决
刨根问底的近义词
新生儿感冒鼻塞怎么办
© 2025 海能知识库
信息来自网络 所有数据仅供参考
有疑问请联系站长 site.kefu@gmail.com