返回
海能知识库
网站首页
美食营养
游戏数码
手工爱好
生活家居
健康养生
运动户外
职场理财
情感交际
母婴教育
生活知识
知识问答
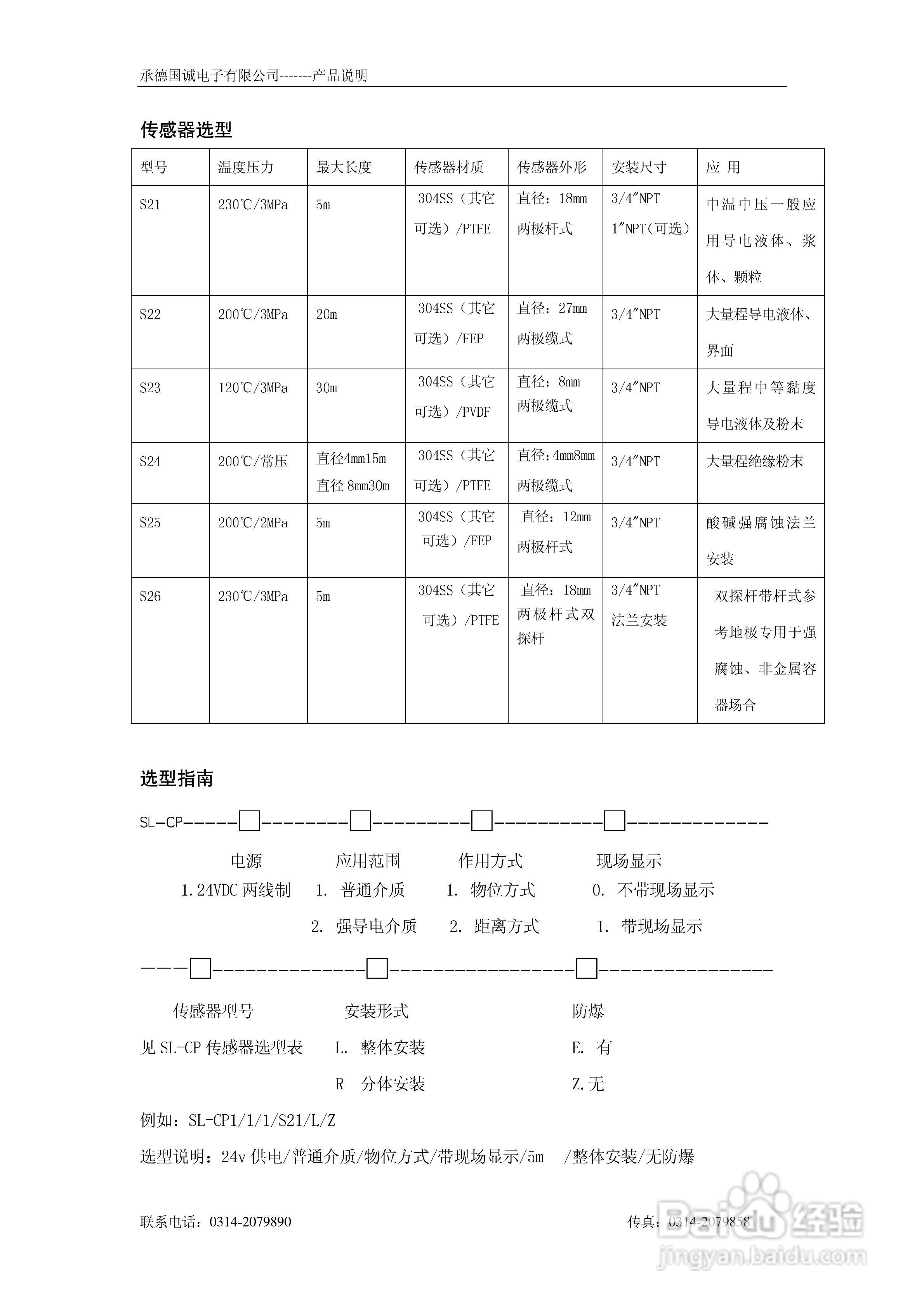
国诚SL-CP射频导纳物位计说明书
时间:2024-12-01 16:25:31
射频导纳料位计安装接线调试方法
射频导纳料位开关安装注意事项
射频同轴电缆的检测方法
怎样在海盗来了组CP
神舟HTR8051系列射频导纳连续物位计说明书:[2]
为你推荐:
66年属什么生肖
tare是什么意思
水密码适合什么年龄
黄瓜咸菜的腌制方法
重阳节的主要风俗是什么
扎西德勒什么意思
小卡是什么
吃巧克力有什么好处
although是什么意思
什么是世界遗产
© 2026 海能知识库
信息来自网络 所有数据仅供参考
有疑问请联系站长 site.kefu@gmail.com