技嘉GA-8I915P Duo (Rev 2.0)型主板说明书:[1]

时间:2024-11-19 12:28:25

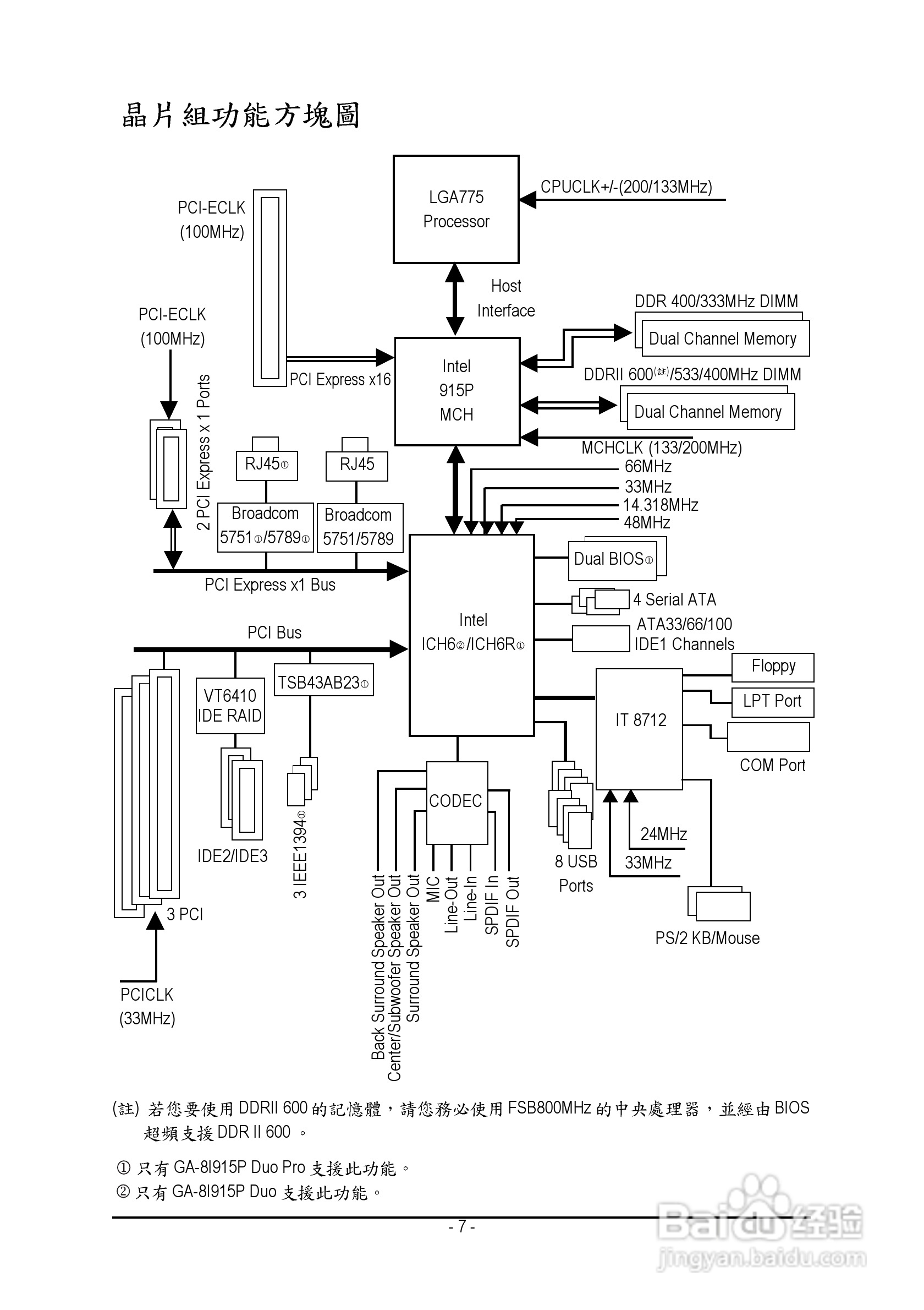
本篇为《技嘉GA-8I915P Duo (Rev 2.0)型主板说明书》,主要介绍该产品的使用方法以及常见故障解决方案。

技嘉GA-8I915P Duo (Rev 2.0)型主板说明书:[1]

技嘉GA-8I915P Duo (Rev 2.0)型主板说明书:[1]

技嘉GA-8I915P Duo (Rev 2.0)型主板说明书:[1]

技嘉GA-8I915P Duo (Rev 2.0)型主板说明书:[1]

技嘉GA-8I915P Duo (Rev 2.0)型主板说明书:[1]

技嘉GA-8I915P Duo (Rev 2.0)型主板说明书:[1]

技嘉GA-8I915P Duo (Rev 2.0)型主板说明书:[1]

技嘉GA-8I915P Duo (Rev 2.0)型主板说明书:[1]

技嘉GA-8I915P Duo (Rev 2.0)型主板说明书:[1]

技嘉GA-8I915P Duo (Rev 2.0)型主板说明书:[1]

© 2025 海能知识库
信息来自网络 所有数据仅供参考
有疑问请联系站长 site.kefu@gmail.com