返回
海能知识库
网站首页
美食营养
游戏数码
手工爱好
生活家居
健康养生
运动户外
职场理财
情感交际
母婴教育
生活知识
知识问答
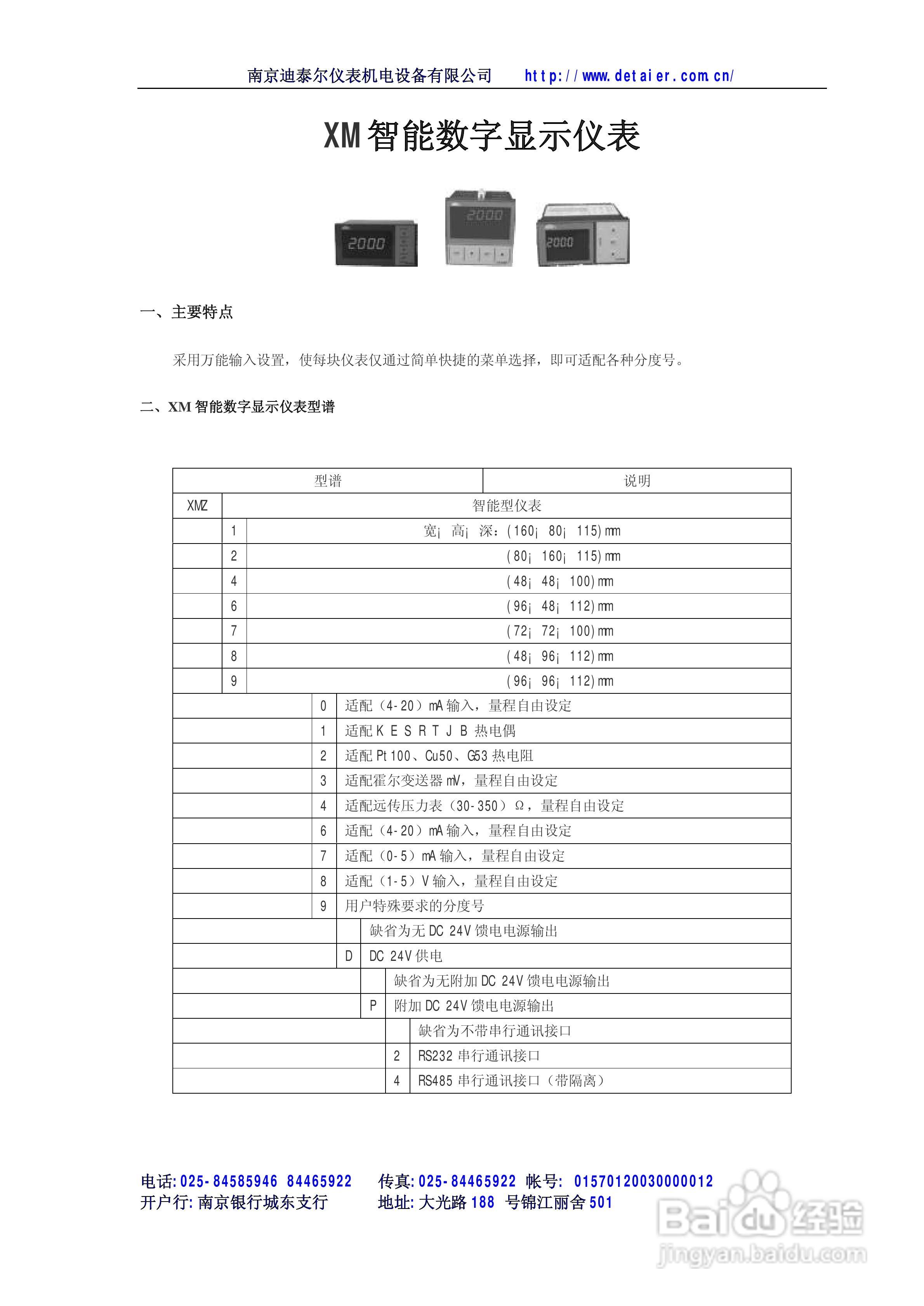
迪泰尔XM智能数字显示仪表说明书
时间:2024-11-14 22:13:18
四方M320-4T0900塑料专用变频器使用说明书:[3]
QQ游戏如何修改快捷键
退休工龄如何计算
风机盘管专用金属软接头如何使用
冰箱出远门6个月不用怎么办
为你推荐:
漫不经心是什么意思
中二病是什么意思
雷锋精神是什么
教诲的近义词是什么
挠度是什么意思
robot是什么意思
安全感是什么意思
公因数是什么
celebrate是什么意思
花旦是什么意思
© 2026 海能知识库
信息来自网络 所有数据仅供参考
有疑问请联系站长 site.kefu@gmail.com